【行业资讯】瑞华技术:BDO工艺包技术斩获发明专利
近日,瑞华技术发布公告称,公司收到国家知识产权局下发的1项发明专利证书,专利名称为一种BDO精制过程中脱水反应除缩醛的方法及系统。
背景技术
目前,BDO主要生产方法有炔醛法、顺酐法、丁二烯法和环氧丙烷法,国内BDO生产企业大多采用炔醛法和顺酐法。无论采用何种方法生产BDO,都会生成各种缩醛类物质。炔醛法会产生羟基丁醛和乙缩醛,顺酐酯化加氢法会产生缩醛2 - (4 - 羟基丁氧基)四氢呋喃(HBTHF),这些都是难以从BDO产品中分离的杂质。特别是HBTHF和BDO形成共沸,普通精馏难以将HBTHF从BDO产品中分离出来,通常只能舍弃这部分共沸物中的BDO,以保证BDO主产品的纯度。
大部分专利中纯化1,4 - 丁二醇的方法分为加氢和脱氢两种。加氢除缩醛是将所有含HBTHF的粗BDO产品在特定加氢催化作用下加氢,将缩醛转化为BDO,再精馏分离得到合格纯度的BDO产品。脱氢除缩醛是将含HBTHF的部分BDO粗产品在临氢和脱氢催化剂作用下,使BDO脱氢反应转化为γ - 丁内酯,再通过精制γ - 丁内酯除去缩醛。加氢方法需对生产过程中的所有BDO粗产品进行加氢处理,能耗较高。脱氢方法需要在临氢条件下反应,需使用循环氢压缩机,流程复杂,操作条件苛刻。
发明内容
本申请的主要目的是提供一种BDO精制过程中脱水反应除缩醛的方法及系统,将1,4 - 丁二醇生产过程中BDO产品塔顶的共沸物通过BDO脱水反应生成THF,精馏分离出缩醛,并回收副产品四氢呋喃。本发明工艺流程短,能耗低,可回收具有更高经济价值的THF产品,提高1,4 - 丁二醇生产装置的经济效益。
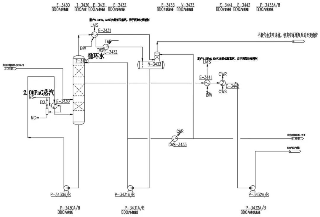
第一方面,本申请提供了一种BDO精制过程中脱水反应除缩醛的方法,包括以下步骤:
①将BDO生产过程中BDO产品塔顶的共沸物换热后进入汽化器进行汽化,汽化后的物料经过加热后进入脱水反应器反应,未被汽化的物料经脱水汽化循环泵增压后输送至脱水加热器进行加热,加热后的物料返回至所述汽化器,未被汽化的重组分输送至废液罐;
②将汽化的物料从脱水反应器顶部进入,通过脱水反应器内的催化剂进行脱水反应,反应产物从脱水反应器的底部离开。脱水反应包括脱水主反应和脱水副反应,脱水主反应为一分子的BDO分子内脱水生成一分子的四氢呋喃和一分子的水,脱水副反应为两分子的BDO分子间脱水生成一分子的一缩二丁二醇和一分子的水;
③脱水反应后的反应产物经过换热器冷却后进入THF回收塔,THF塔顶的气相经过气相冷凝后,不凝气输送至焚烧炉进行焚烧,凝液进入THF回收塔回流罐,经过THF回收塔回流泵增压后,一部分凝液被输送至THF回收塔顶部,另一部分凝液输送至THF产品精制单元进行精制,THF回收塔的塔釜的废水输送至界外水处理装置进行水处理。
第二方面,本申请提供了一种BDO精制过程中脱水反应除缩醛的系统,包括汽化及脱水组件、产品精馏组件。
其中汽化及脱水组件包括汽化器、与汽化器顶部相连接的脱水进料预热器、顶部与脱水进料预热器相连接的脱水反应器、与脱水反应器底部相连接的脱水换热器,脱水换热器连接有原料进口,汽化器上连接有蒸汽接口,汽化器底部连接有脱水汽化器循环泵,脱水汽化器循环泵与脱水加热器以及废液罐相连接,脱水加热器与汽化器相连接;
产品蒸馏组件包括THF回收塔、与THF回收塔塔顶相连接的THF回收塔冷凝器、与THF回收塔冷凝器相连接的THF回收塔回流罐、与THF回收塔冷凝器以及THF回收塔回流罐相连接的焚烧炉、与THF回收塔回流罐相连接的THF回收塔回流泵、THF回收塔的塔釜连接有THF回收塔釜泵,THF回收塔釜泵连接有界外水处理装置,THF回收塔回流泵分别与THF回收塔以及精制单元相连接。

该发明能更节能有效地脱除BDO产品中多种缩醛,有助于提升BDO(1,4 - 丁二醇)产品纯度,提高生产装置的经济效益。同时,本项发明与脱氢除缩醛工艺相比,具有设备投资更低、反应条件更温和、分离更简单以及催化剂使用寿命更长的显著优势。
公告称,本成果提升了公司BDO工艺包的技术竞争力,为公司未来开拓高端聚合物等下游业务领域奠定了基础。
本文仅代表作者观点,版权归原创者所有,如需转载请在文中注明来源及作者名字。
免责声明:本文系转载编辑文章,仅作分享之用。如分享内容、图片侵犯到您的版权或非授权发布,请及时与我们联系进行审核处理或删除,您可以发送材料至邮箱:service@tojoy.com



