买房子只看平面图,交房肯定会后悔的。
这篇文章是过去的内容 *
干货不过时,希望对大家还是有帮助的。
按道理来说,许多人到售楼处买房,看完沙盘后的第一反应,往往是
取出平面图,我看看吧?
100 一套平方米的公寓,做了三个朝南的三个房间,两个卫生间。
哇,还做了双阳台设计,这套公寓不错,先赞一个,可以买,
评价房间类型,然后去样板房转转,很多人也会觉得自己对这个楼盘有了充分的了解。
所以,付定金首付离开了。
等到2年后交付,眼前的情景可能会让许多人目瞪口呆。
01
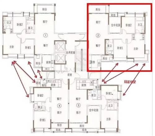
首先我给大家看一个平面图,大家来感受一下这个平面图怎么样?
如果只看这张平面图,可以说这套平面图还是挺不错的。
公寓方方正正,不仅有两个阳台,还有四个凸窗,光线很好;而且南北通透,动静分离。
但是,请注意,除了看平面图之外,还要学会阅读楼层平面图。
我再强调一下,大家一定不能独立看平面图,而要把平面图放在地板平面图上,统一看平面图。
必须清楚地看到所购买的户型在楼层中所处的具体方位如何?
举例来说,刚才那个还不错的房间类型,如果把它放在平面图上,就会发现自己的主卧居然和隔壁邻居的卧室隔窗相望。
很明显,这种类型的公寓,整体隐私会差很多,很可能会导致你连窗帘都不敢拉。
也有类似的情况
比如单看这个平面图,看起来就像是一个南北通透的平面,但是如果把这个平面放在地板平面图上,
你们会非常惊讶地发现,这外面居然有一条走廊。,人来人往,可以清楚地看到你家的情况。
当然,这样的阳台和阳台之间也有隔壁对望的地方。
也许那时候设计的时候就是为了让邻居之间的交流更加方便吧?
当然,除了阳台和隔壁的设计外,
另一个是这样的。从整个楼层的平面图来看,邻居之间的卫生间也是隔着窗户看的,隔壁可以清晰的听到洗澡的声音。
此外,通过地板平面图,你会发现整个阳台可能没有采光。
因为光源基本上被遮挡了。
所以,我们常说,买房子不要只看平面图
最根本的原因是平面图所代表的只是室内微观层面。
你自己的实际生活体验不仅取决于室内的微观,还取决于室外环境如何,是否有影响室内环境的因素。
我会重复一遍,买房子除了看平面图,更重要的是,一定要看平面图。,千万别忽视
02
当然,这只是第一步。如果平面图和平面图没有问题,我们必须学会。看沙盘图
看看沙盘图有两个最重要的观测点。
首先,看看所购买的建筑与周围道路及其它资源的联系。
第二,看看附近有没有什么不利因素。
例如,有些房子看起来像一个社区,但如果你真的去地铁站,第一栋楼可能会在十分钟内到达,因为它离大门很近。
也有一些建筑可能比较落后,再加上小区比较大,可能需要20多分钟才能出去地铁站。
还有一些房子单看里面很干净,单看楼也不错,是的, 10 楼层左右的别墅,其实楼下就是整个小区最大的垃圾站,一到夏天就臭得熏天。
有些建筑前面是社区的公共活动空间。低楼层的用户不仅没有隐私感,甚至每天都要忍受大叔大妈的广场舞。
这些可能大家都知道,应该都能看到。我来说说买房容易被忽略的几个细节。
首先是确认楼间距,建筑距离关系到购买和购买房屋的采光以及邻近建筑之间的隐私,非常重要。
但是为了防止相关的不利之处,销售往往会说得比较模糊。
没关系,你也可以通过沙盘自己识别。
每个沙盘都有自己的比例尺,计算方法是实际距离。=图上距离/比例尺
比如沙盘上楼的距离就是 4 比例尺为厘米 1:3000,那么实际的楼距就是3000。 0.04*3000=120 米
其次,一定要问清楚透明的方块建筑,到底是什么?
相信很多人去看沙盘的时候,一定会看到沙盘上有很多透明的方形建筑。
事实上,这是开发商的一点小心思,为了让建筑看起来不那么密集,
拜托,你必须问这些透明的方形建筑是什么,因为它们或多或少会对你未来的生活环境产生影响。
一般而言,这些透明的建筑,有的是售后的建筑,有的是未来待开的建筑。
但也有可能是垃圾站、变电站等。,这些都是未知的变量。
三是一定要看建筑前后左右,到底有什么不利条件?
值得注意的是,开发商的每一套房子,其实都有自己的定价逻辑。
每个人都必须注意那些所谓的特价房和低价房,基本上都是由于某些特殊原因导致房价低于小区均价。
比如靠近内部垃圾站、变电站、小区汽车进出口等。买房时一定要看清楚。
一般来说,正规开发商应该在售楼处张贴不利条件的提示。不要忽视这种明确告知的不利因素。
03
还有一点想提醒大家在买房时要特别注意,是关于非标房型的
非标房型是什么?例如,整个建筑都是 98 平方或 120 平方米,但是有 2-3 套房是 80 平方或 140 平方米,这往往是非标房型的
数量很少,和其它房型不太一样。
非标房型通常存在于建筑的一楼或顶楼。,还有一些非标房型室内会有管道、设备消防通道等,这些其实都是需要问清楚的。
一般而言,我们不建议购买非标房型,给大家举几个例子。
例如,位于二楼的非标准房间通常是畸形的。因为一楼和二楼都是高大堂,二楼的房子需要转移到一些建筑空间
二楼三楼也有一些非标房型,单看平面图,看起来真的很棒吗?
但是等到实际交付时,却发现多了一根横梁,影响光线不美观。
而且顶楼顶楼的非标楼通常有许多柱子。,就是原来有两个朝南的大窗户。
但非标楼层很可能会多出两根柱子,这样你家就会变成四个小窗户,这就会导致整个房间变得非常黑暗。
自然,也有少量的非标房型,可以购买。
最为典型的就是整个小区都是 140㎡上下大户型,然后几套是大户型, 70 多平小户型
重点是,这仍然是学位房。
小户型偏少会导致这类房屋相对稀缺,从而形成良好的溢价率。
04
所以,给大家举了这么多例子,相信大家也应该明白了。
当今时代,买房不能只看平面图,平面图只能说明室内情况。
而且对一位真正的买房者来说,考虑的不仅仅是室内,还有室外阶段。
归根结底,户外环境 室内房型,形成了最真实的居住环境。
缺一不可,大家不能只关注一个层次。
上述文本来自真正的卢俊团队。
鸣谢:本文照片部分资料来源于知乎频道《住范儿》
上述文本来自真正的卢俊团队。
这是卢俊微信官方账号的第一个名字。 6031 篇原创文章
本文仅代表作者观点,版权归原创者所有,如需转载请在文中注明来源及作者名字。
免责声明:本文系转载编辑文章,仅作分享之用。如分享内容、图片侵犯到您的版权或非授权发布,请及时与我们联系进行审核处理或删除,您可以发送材料至邮箱:service@tojoy.com





