实现“AI “重点突破,分析人形机器人的核心技术和未来趋势
电子爱好者网报道(文章 / 吴子鹏)2025 年,全球 AI 机器人行业正站在历史性的转折点上。随着R&D的不断迭代和政策的全力支持,先进的产品形式人形机器人正从实验室逐渐走向工厂、医院甚至家庭,这必然会深刻改变人类社会的运行模式。
瑞萨电子嵌入式处理器事业部高级经理刘涛在接受电子发烧友网采访时表示,在《人形机器人的电机控制与传感器》专题中,人形机器人被称为 "人工智能 " 重大突破口。从结构构成来看,人形机器人主要由三个系统组成:驱动、感知和控制,而芯片是这三个系统的核心。瑞萨电子提供了丰富多样的解决方案,包括人形机器人关节电机驱动和传感结合。
瑞萨电子嵌入式处理器事业部高级经理 刘涛
在人形机器人控制和驱动方面,瑞萨电子规划
以上三个系统在人形机器人中起着关键作用。其主要表现如下:
驱动系统:驱动位置决定了不同驱动器的需求,不同类型的电机也对应着不同的算法,常见的有 FOC 算法等。
控制系统:人形机器人需要执行复杂的动作,自由度越来越高,对周围环境的响应速度也越来越快。高性能的运动控制算法、快速响应的通信接口、灵活的网络拓扑、更多的电机驱动器、能够支撑算法和计算能力的控制芯片,从稳定的行走到精确的抓取,再到保持平衡,都是不可或缺的,从而保证机器人动作的顺畅和准确。
感知系统:人形机器人需要使用多种传感器(如视觉传感器、力传感器、陀螺仪等)来感知环境,并有效地收集、处理和整合这些传感器信号。
根据上述需要,刘涛指出,瑞萨正在加快布局。第一,针对机器人手臂关节驱动,瑞萨电子推出了量产产品。 RZ/T2M、RZ/T2L 或是 RZ/N2L 系列产品。这个系列的产品不只是支持 EtherCAT 网络通信,还配有特殊的绝对值编码器接口,例如 BiSS、Endat、Hiperface 等等,以及增量式编码器接口,可以满足电机定位信息捕捉的需要,支持 2 或者更多的编码器接口。另外,还有丰富的电动机外设接口,例如 PWM、ADC、Delta - sigma 接口等。这类高度集成的芯片可以最大限度地减少 PCB 线路,特别适合机器人手臂的小型化设计目标。
目前,围绕 RZ/T2L 瑞萨电子等系列产品在伺服电机驱动方面积累了大量经典案例。与此同时,瑞萨也计划以下一代为基础开发。 RA8 M85 核心 MCU 人形机器人关节驱动解决方案。届时,客户可以根据瑞萨的参考设计快速部署原型机并投入大规模生产。硬件原理图、软件程序、底层驱动等信息将免费提供给客户参考。
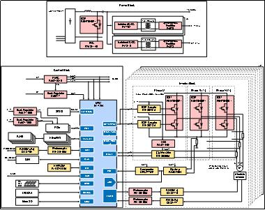
对于多种自由度的机械臂控制,瑞萨电子已经量产 RZ/T2H MPU。该芯片集成了四个高性能芯片。 Cortex - A55 核心和两个实时控制 Cortex - R52 核,具有强大的应用处理能力和即时性能。不但能完成对高达对高达对高达 9 轴工业机器人电机的高速高精度实时控制,赋予机器人强大的运动控制和网络通信能力,支持工业以太网的主从协议,支持包括时间敏感网络在内的单芯片 TSN 各种网络通信,包括工业以太网,使人形机器人能够与外围设备进行快速通信和协调。除 RZ/T2H 此外,瑞萨电子每年都超越超级电子。 15 款 MCU 和 MPU 为了满足未来更复杂的人形机器人和其他应用需求,新产品量产上市的R&D速度不断纵横双向扩大。
基于 RZ/T2H 带以太网的 9 轴电机控制方案
在人形机器人感知和传输方面,瑞萨电子规划
上述人形机器人感知系统的基本组成,视觉传感器、触觉传感器、惯性测量单元(IMU)、六维传感器为人形机器人提供多维感知,使其能更好地与环境互动,实现复杂的任务。下面我们来分析一下感知系统的功能:它是人形机器人环境感知和信息输入的端口,可以实时收集环境的三维数据,构建动态空间模型,帮助机器人识别障碍物、地形特征和物体位置,提供全面的环境信息输入;它也是人形机器人人机交互的基础,使机器人能够感知接触应力和温度,实现与人类的柔和互动。并且可以识别人体动作、面部情绪和语音命令,提高服务场景中的自然交互能力。
瑞萨电子还为传感器的整合和处理提供了一系列的解决方案。为了帮助人形机器人实现领先的视觉感知能力,瑞萨电子通过其高性能 MCU 和 MPU 支持视觉传感器的数据处理,确保高效、准确地捕捉到复杂的图像信息。例如,瑞萨电子提供高计算能力的四核视觉。 AI 微控制器 - RZ/V2H,选用 DRP - AI3(动态可重新配备Cpu)加速器和高性能即时Cpu,具有计算能力高、功耗低的特点,特别适合机器人应用所需的动态计算和实时处理性能,无需冷却风扇即可满足复杂实时物体识别和推理任务。
RZ/V2H 介绍
在 AI 在算法上,瑞萨电子致力于视觉识别。 AI 应用方面。例如,在 RZ/V2H 上集成了瑞萨电子的原创。 AI 加速器 DRP - AI(动态可重新配备Cpu),可提供高达 8TOPS(紧密模型)的算率和高度 10TOPS/W 的极佳 AI 能效。其低功耗特性不需要冷却风扇,特别适用于人形机器人电池的供电,可以最大限度地提高效率,延长机器人的工作时间。
瑞萨电子还提供集成高精度的传感融合与处理。 AFE 前端的 RX23E MCU,能为高性能传感器提供完整的感知能力。不仅如此,瑞萨电子还在传感器部件中提供模拟芯片,用于调节温度、速度、位置、配电等。另外,为了实现传感器数据的高效处理与整合,瑞萨拥有强大的计算能力和丰富的模拟外设。 RA 系列 MCU 和 RZ 系列 MPU,能支持复杂的传感器融合算法。结合深度学习技术,瑞萨电子解决方案能在节点设备中运行先进的传感器整合算法,帮助系统实现快速决策推断。
对于传感融合算法,瑞萨电子有一种先进的信号处理方法,专门为非视觉感应设计,用于数学计算,端侧布署。例如,瑞萨的 Reality AI 使用平台工具 SVM(svm算法,Support Vector Machines)和 NN(神经网络,Neural Network)其独特的探索特征空间的算法作为模型的基本算法,可以用来区分不同类别、预测变量或检测异常等不同应用,并拥有多项技术专利。能帮助开发者在云端构建专属的云。 AI 模型,并在当地边缘节点上完成部署。
Reality AI 平台工具
最后,这些信号需要传输,无论是控制、驱动还是感知。传统的电机方案通信接口相对简单,而人形机器人变得越来越复杂和准确,这就需要在设计中配备一个快速、实时的通信系统。该系统需要支持不同关节之间高速带宽的数据传输,在空间有限的环境下,对设备的要求尤为严格。
瑞萨电子公司针对高效的数据传输需求而推出。 RZ/T2x、RZ/N2x 系列家族 MPU 均可以实现 EtherCAT 网络通信,带宽高达 1000Mbps,多路复用可以实现多种多样的实现 3x EtherCAT、2x EtherCAT 1x Ethernet 或是 3x Gigabit TSN 各种不同的以太网协议配置,为机器人网络通信提供灵活的网络拓扑。另外,瑞萨电子也全面支持 TSN 下一代千兆工业网络,内置千兆 TSN(基于 IEEE802.1Q 开发出一套协议标准)交换机,并配有内置千兆。 MAC,支持时间同步 ( 802.1 AS - 2020, 802.1 AS - Rev ) 、数据调度和流量整形(Qbv)和帧占领(Qbu/Qbr)等 TSN 为了实现数据在同一网络上的实时确定性传输,实现人形机器人关节之间的无缝确定性协调,提高人形机器人关节作为子系统的即时决策和多个电机之间的同步协调任务。
此外,瑞萨电子旗舰产品 RZ/T2H 还配有高性能多核处理器,高精度三相处理器。 PWM 用来测量电流值的计时器 Δ - Σ 以及各种编码器接口和编码器接口(支持) A - format ™、EnDat、BiSS ®、Hyperface DSL 和 FA - CODER),可以达到对高达 9 高速、高精度控制轴工业机器人电机。
RZ/T2H 系统框图
人形机器人的技术趋势以及瑞萨电子的应对策略
去年,美国高盛集团预测, 2035 2008年,人形机器人的潜在市场规模有望实现 380 亿美元,到时候人形机器人的出货量会更多,成本会更低,利润率会更快。但是,现在很多从业者都觉得这个预测太保守了。继计算机、智能手机和新能源汽车之后,人形机器人被视为新一代颠覆性的智能终端,预计将产生新的万亿元市场。所以,现阶段人形机器人技术的发展呈现出怎样的趋势?在电机驱动和传感应用方面,刘涛进行了解读。
在人形机器人领域,电机控制技术正朝着更高的精度和响应速度发展。随着应用场景的不断创新,机器人需要在抓取易碎物品或微创手术等复杂环境下完成高精度任务。这就要求电机控制能够准确调整扭矩和位置,同时具有快速响应能力,实现自然流畅的运动。此外,高度集成和微型化也是电机控制的重要发展趋势。
为了满足人形机器人对空间和重量的严格要求,未来电机控制硬件将更加紧凑,集成电机、通信、驱动、编码器和控制器,形成高度集成的关节模块,减少线路和连接部件,提高系统的可靠性和紧凑性。芯片是实现这些特性的核心基础,也是高性能微处理器的核心基础。(MCU)以及数字信号处理器(DSP)多核异构组合,形成高性能处理能力和实时控制的硬件架构,可以赋能不同的使用场景相应的功能。 CPU 以丰富的电机外设,支持高性能位置、速度和扭距控制,核心快速处理复杂的电机控制算法,内置高速以太网控制器为网络通信提供了一定的保障。上述不同的功能特性集成在一个小芯片上,为机器人不同部件的合作和任务奠定了坚实的基础。以上不同的功能特性集成在一个小芯片上,为机器人不同部件的合作和任务奠定了坚实的基础。最终,先进的小型芯片封装技术也为人形机器人的集成和微型设计提供了有力的支撑。
在传感技术方面,多模态感知相结合是主要的发展方向。人形机器人将结合视觉、触觉、听觉等传感器数据,实现更全面的环境感知和理解。不可忽视的是,在这个过程中,模拟芯片、图像处理芯片、图像传感器芯片等都需要专门的芯片来收集、处理和控制信号。
人类机器人的发展经历了多个阶段,从早期简单的机械结构和基本功能,逐渐演变为高度智能化、多功能集成的形式。目前,全球人形机器人产业已正式进入产业化阶段。刘涛指出,从一开始,人形机器人就是以基本的移动能力为核心,其核心技术包括稳定的平衡控制和能耗提高,其应用领域主要集中在物流搬运和检查安全上。伴随着技术的不断成熟,人形机器人将逐步走向更高的阶段,感知、认知和交互能力的提高将成为未来发展的焦点。随着机器人的逐步升级,芯片行业也将面临挑战和机遇。
这是一个人形机器人 “大脑”、高性能、低功耗的芯片将是推动其智能化、自主化进程的关键。伴随着人形机器人对环境感知、决策制定、运动控制等能力需求的不断增加,主板芯片、传感芯片、AI 定制芯片和边缘计算芯片的需求将大幅增加。同时,能源效率也成为ic设计的重要考虑因素。鉴于人形机器人需要长期持续工作,并且通常受到电池电量的限制,低功耗设计也将成为人形机器人芯片研发的关键点。
面对广阔的市场机遇,瑞萨将开发针对人形机器人特定需求的定制芯片解决方案,特别是在嵌入式处理、电池管理和模拟电路方面,拥有深厚的技术积累。为人形机器人提供长期高效的动力支持,通过优化芯片架构,提高计算效率和能源管理能力。另外,瑞萨还将加强与机器人制造商的合作,AI 与算法开发商和系统集成商合作,共同推进人形机器人的智能化和自主化进程,确保产品能够满足不断变化的市场需求和行业标准。
阅读更多热门文章
加关注 星标我们
把我们设为星标,不要错过每一次更新!
喜欢就奖励一个“在看”!
本文仅代表作者观点,版权归原创者所有,如需转载请在文中注明来源及作者名字。
免责声明:本文系转载编辑文章,仅作分享之用。如分享内容、图片侵犯到您的版权或非授权发布,请及时与我们联系进行审核处理或删除,您可以发送材料至邮箱:service@tojoy.com






