再次获得大奖!!突破电机圈,猛料震撼亮剑!
2024 电控技术市场表现奖
又获大奖!MPS 突破电机圈!
猛料震撼亮剑
是时,亮颗猛料了 !
给电机圈一点“小小的”震撼!
小小的身材,大力量,三国争霸,脱颖而出!
MPQ6634
,面向未来,面向未来 BLDC 浩瀚的星辰!
11 月 21 日,2024 深圳成功举办了第五届电机控制技术市场表现奖颁奖典礼。MPS 超小型全集成无传感器三相无刷电机驱动器MPQ6634获得“十大主板芯片奖”!
图注:MPS 公司电机控制产品线应用工程部高级主管盛立丞先生领取奖牌
电子技术领域知名媒体“电机控制技术市场表现奖”评选活动电子发烧友网发起 ,MPS 工程部高级主管盛立丞先生受邀参加电机控制产品线应用领奖。
各类奖项希望鼓励电机控制行业相关企业的创新热情,激发企业的创新热情,通过行业共同推荐和评选具有优秀市场表现和技术和创新能力的公司。
智能化自动化生产线“智慧星”
“智能之星”是一条智能自动化生产线,由提子机械公司精心打造,满足现代制造业转型升级的需求。它集成了先进的机器人技术、物联网技术、大数据分析和人工智能算法,实现了从原材料到成品下线的全过程自动化和智能化控制。
03
“绿巨人”高效环保挖掘机
如今,随着环境保护已经成为全球共识,提子机械公司推出的“绿巨人”高效环保挖掘机无疑为工程机械行业树立了新的标杆。挖掘机采用先进的电动驱动系统。与传统燃油挖掘机相比,其能耗大大降低,排放几乎为零,完全符合绿色发展的时代要求。
04
精密数控机床“精工”
作为精密制造领域的核心设备,提子机械公司推出的“精密工匠”精密数控机床因其优异的尺寸精度和稳定性而受到观众的高度赞扬。
01
智能化自动化生产线“智慧星”
“智能之星”是一条智能自动化生产线,由提子机械公司精心打造,满足现代制造业转型升级的需求。它集成了先进的机器人技术、物联网技术、大数据分析和人工智能算法,实现了从原材料到成品下线的全过程自动化和智能化控制。
02
“绿巨人”高效环保挖掘机
如今,随着环境保护已经成为全球共识,提子机械公司推出的“绿巨人”高效环保挖掘机无疑为工程机械行业树立了新的标杆。挖掘机采用先进的电动驱动系统。与传统燃油挖掘机相比,其能耗大大降低,排放几乎为零,完全符合绿色发展的时代要求。
03
精密数控机床“精工”
作为精密制造领域的核心设备,提子机械公司推出的“精密工匠”精密数控机床因其优异的尺寸精度和稳定性而受到观众的高度赞扬。
MPQ6634,来 !
给予电机圈一些“小”震撼!
MPQ6634
是一款 35V 支持最大输入电压 2A 高峰相电流全集成无传感器三相无刷DC电机驱动,内置 450m Ω(上管 下管)功率 MOSFETs。
MPQ6634 选用 PWM(pulse width modulation)或者模拟电压输入调节电机转速,可以选择开环速度控制或闭环速度控制。与此同时 MPQ6634 支持电动机的正转和翻转运行。
MPQ6634 整合各种可靠的保护。选择可以浸润小封装 4mmxTQFN12-3mmx。通过 AEC-Q100 级别 1 认证。
单击下面查看 MPQ6634 产品详情
MPQ6634 选用没有传感器磁场矢量控制(FOC,Field Orientation Control)驱动三相无刷DC电机(永磁同步电机)通过检测电流和根据电机模型即时预测转子位置来实现。无感 FOC 控制,对于电动机参数不敏感。无相位传感器,简化系统复杂性加强系统对机械振动和电磁噪声的抗干扰性;同时实现 180 ° 正弦驱动,无需开窗检查反向电动势,噪声振动表现更加出色。 !
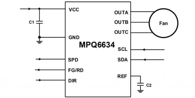
图:MPQ6634 结构简图
产品特性和特性
内置无传感器 FOC(Field Orientation Control,转子磁场矢量控制)控制算法,无需编程即可实现无传感器。 FOC 控制
内置低内阻功率 MOSFETs ,无须外置 MOSFETs
外部设备少,极小的封装,PCB 占板面积小
宽输入电压范围:4.5V 至 35V
大输出电流 2A 峰值电流
支持速度开环控制和速度闭环控制,无需额外的速度控制芯片实现速度闭环控制。
灵活的曲线编程功能,根据不同的应用调整速度曲线,易于平台化
待机电流极低(40) µ A),友好的电池应用 <40 µ A),对电池应用友善
多种保护功能完善,可靠性高
专用 I ² C 接口,方便适应这些系统。
符合 AEC-Q100 级别 1 认证,可以浸润极小的封装
有关精彩内容
无刷DC电机驱动商品清单
汽车电动机控制专题
电动机驱动和相位传感器技术文章
电驱动解决方案产品手册
普通DC电动机的种类及控制方案
电动机驱动芯片故障检测及保护
[工程师笔记]Driver IC 简述和计算热阻模型
MPS 全系列电机驱动商品,帮助新能源汽车实现更好的智能化。
本文仅代表作者观点,版权归原创者所有,如需转载请在文中注明来源及作者名字。
免责声明:本文系转载编辑文章,仅作分享之用。如分享内容、图片侵犯到您的版权或非授权发布,请及时与我们联系进行审核处理或删除,您可以发送材料至邮箱:service@tojoy.com





